Commander
Commander est uniquement possible avec un login partenaire.
En savoir plus.
Toutefois, vous pouvez remplir le panier afin d'obtenir un devis.
En savoir plus.
Toutefois, vous pouvez remplir le panier afin d'obtenir un devis.
Prix
PVC*
Par Set
€ 367,00
Description
- Un loquet moderne en plastique pour des exigences élevées
- Système modulaire avec différentes variantes de douilles pour divers arrêts de porte
- Montage rapide et facile
- Compensation intégrée de la tolérance de l'épaisseur de la porte
- Peut être utilisé pour les portes à gauche et à droite
- Verrouillable et prêt pour les systèmes à clé maîtresse, versions Kaba disponibles
- Différentes variantes de verrouillage
- Epaisseur de porte standard 80-200mm
- Températures : -40C - *80C
Informations de commande
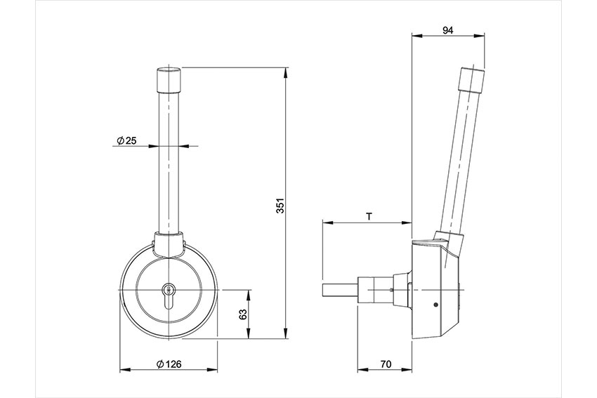
7506 levier complet avec cylindre g/d - panneau 100mm
N° article :
RLC-6110-000
Poids :
2,4 kg
Code EAN :
5414618998607
Code SKU :
60379320000
OEM :
7506-100MM
Unité :
Set
MOQ :
1,00 Set
Marque :
Rahrbach
Groupe port :
A
Produits associés
Actuellement disponible
Actuellement non disponible
PG = Groupe frais de port


